
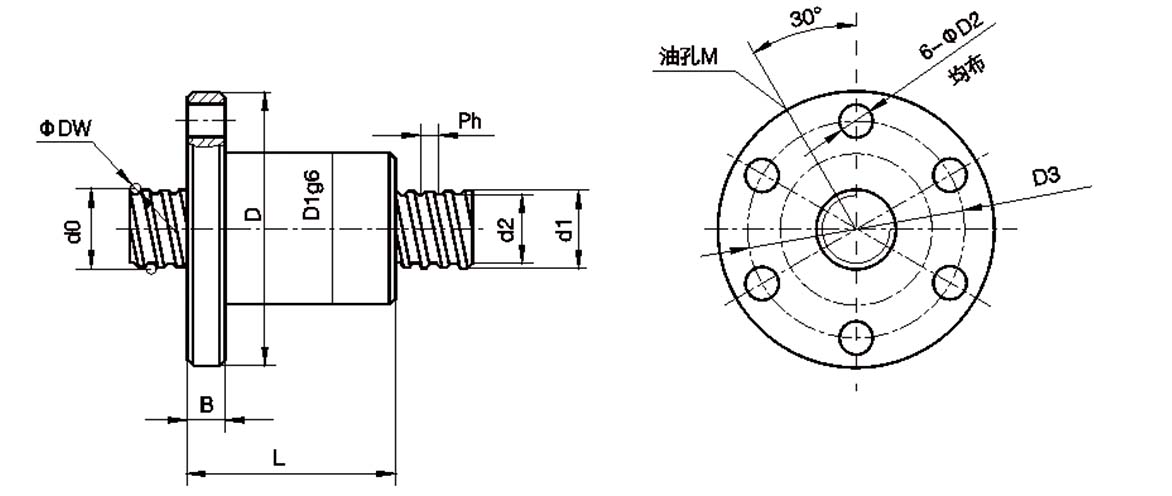
| 型号 | 丝杠外径 d1 |
公称直径 do |
基本导程 Ph |
钢球直径 Dw |
丝杠底径 d2 |
循环 列数 G |
螺母安装尺寸 | 油杯 M |
额定载荷 N | 刚度 N/μm G |
|||||||
|---|---|---|---|---|---|---|---|---|---|---|---|---|---|---|---|---|---|
| D1 | D2 | D3 | B | D | L | M | 动载荷 Co |
静载荷 Coa |
|||||||||
| 0401 | 4 | 4 | 1 | 0.8 | / | 3 | 10 | 2.9 | 15 | 3 | 20 | 12 | M2.5 | 490 | 700 | / | |
| 0501 | 5 | 5 | 1 | 0.8 | / | 3 | 10 | 2.9 | 15 | 3 | 20 | 12 | M2.5 | 530 | 810 | / | |
| 0601-3 | 6 | 6.2 | 1 | 0.8 | 5.4 | 3 | 12 | 3.4 | 18 | 3.5 | 24 | 14 | M2.5 | 757 | 1304 | 43 | |
| 0801.5-3 | 8 | 8.3 | 1.5 | 1 | 7.3 | 3 | 15 | 3.4 | 22 | 4 | 28 | 18 | M2.5 | 1137 | 2248 | 43 | |
| 0802-3 | 8 | 8.3 | 2 | 1.2 | 7.1 | 3 | 16 | 3.4 | 23 | 4 | 29 | 22 | M2.5 | 1488 | 2475 | 55 | |
| 0802.5-3 | 8 | 8.4 | 2.5 | 1.588 | 6.8 | 3 | 16 | 3.4 | 23 | 4 | 29 | 26 | M2.5 | 1967 | 3001 | 53 | |
| 0803-3 | 8 | 8.4 | 3 | 2 | 6.4 | 3 | 17 | 3.4 | 24 | 4 | 30 | 29 | M2.5 | 2507 | 3491 | 51 | |
| 1001.5-3 | 10 | 10.3 | 1.5 | 1 | 9.3 | 3 | 18 | 4.5 | 27 | 5 | 35 | 20 | M2.5 | 1328 | 2889 | 70 | |
| 1002-3 | 10 | 10.3 | 2 | 1.2 | 9.1 | 3 | 18 | 4.5 | 27 | 5 | 35 | 28 | M2.5 | 1685 | 3389 | 71 | |
| 1002.5-3 | 10 | 10.4 | 2.5 | 1.588 | 8.7 | 3 | 19 | 4.5 | 28 | 5 | 36 | 31 | M2.5 | 2310 | 4066 | 68 | |
| 1003-3 | 10 | 10.4 | 3 | 2 | 8.4 | 3 | 19 | 4.5 | 28 | 5 | 36 | 38 | M2.5 | 2987 | 4755 | 66 | |
| 1201.5-3 | 12 | 12.3 | 1.5 | 1 | 11.3 | 3 | 20 | 4.5 | 29 | 6 | 37 | 22 | M2.5 | 1447 | 3530 | 82 | |
| 1202-3 | 12 | 12.3 | 2 | 1.2 | 11.1 | 3 | 20 | 4.5 | 29 | 6 | 37 | 26 | M2.5 | 1845 | 4158 | 83 | |
| 1202.5-3 | 12 | 12.4 | 2.5 | 1.588 | 10.8 | 3 | 21 | 4.5 | 30 | 6 | 38 | 29 | M2.5 | 2594 | 5137 | 82 | |
| 1203-3 | 12 | 12.4 | 3 | 2 | 10.4 | 3 | 20 | 4.5 | 29 | 6 | 37 | 32 | M2.5 | 3384 | 6026 | 80 | |
注:可根据用户要求加工承载列数为2列或4列的产品,如有其它要求可根据来图设计、制造。
Micro ball screw
实体厂家 支持定制
实体厂家 支持定制
实体厂家 支持定制
厂家货源,多年行业经验
支持小订单,厂家各类大小紧急单
能满足客户,大批量的货物需求
以诚待人,真诚服务每一位客户
多种款式,多种规格可供选择
产品货源充足,一手货源,快速发货
可根据需求定制各类观规格订单
日产量高,设备多样供货稳定
严格把控收工流程产品质量稳定
全程监控,经验丰富的售前售后客服
标准化管理服务,给您靠谱的定制加工体验
关于我们 / 博采众家之长 特色铸就辉煌
山东博特精工股份有限公司其前身是山东济宁丝杠厂,始建于一九六六年,国家高新技术企业,国内滚动功能部件骨干专业化生产厂。50多年来,公司一直致力于滚动功能部件的研究与生产,是我国滚动功能部件标准(滚珠丝杠副、直线导轨)主要起草单位,国家高速主轴标准主要起草单位,国家滚珠丝杠副标准工作组组长单位,中国机床工具工业协会副理事长单位。
公司主要产品:精密滚珠丝杠、精密滚动直线导轨副、高速精密电主轴、精密机械主轴单元、X-Y精密双坐标工作台、精密主轴等。
产品为高档数控机床、核电装备、航空航天、轨道交通、高端医疗、自动化装备、冶金设备、印刷包装装备、仪器仪表等行业配套。